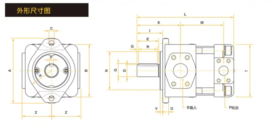
日本住友雙聯齒輪泵sumitomo液壓油泵QT4222-25-8內嚙合油泵






QT22系列齒輪泵
QT22-4-A,QT22-5-A,QT22-6.3-A,QT22-8-A,QT22-4F-A,QT22-5F-A,QT22-6.3F-A,QT22-8F-A
QT23系列齒輪泵
QT23-4-A,QT23-5-A,QT23-6.3-A,QT23-8-A,QT23-4F-A,QT23-5F-A,QT23-6.3F-A,QT23-8F-A
QT31系列齒輪泵
QT31-20-A,QT31-25-A,QT31-31.5-A,QT31-20F-A,QT31-25F-A,QT31-31.5F-A
QT32系列齒輪泵
QT32-10-A,QT32-12.5-A,QT32-16-A,QT32-10F-A,QT32-12.5F-A,QT32-16F-A
QT33系列齒輪泵
QT33-10-A QT33-12.5-A,QT33-16-A,QT33-10F-A,QT33-12.5F-A,QT33-16F-A
QT41系列齒輪泵
QT41-40-A,QT41-50-A,QT41-63-A,QT41-40F-A,QT41-50F-A,QT41-63F-A,QT41-40-AF,QT41-50-AF,QT41-63-AF
QT42系列齒輪泵
QT42-20-A,QT42-25-A,QT42-31.5-A,QT42-20F-A,QT42-25F-A,QT42-31.5F-A,QT42-20-AF,QT42-25-AF,QT42-31.5-AF
QT43系列齒輪泵
QT43-20-A,QT43-25-A,QT43-31.5-A,QT43-20F-A,QT43-25F-A,QT43-31.5F-A,QT43-20-AF,QT43-25-AF QT43-31.5-AF
QT51系列齒輪泵
QT51-80-A,QT51-100-A,QT51-125-A,QT51-80F-A,QT51-100F-A,QT51-125F-A,QT51-80-BP-Z,QT51-100-BP-Z,QT51-125-BP-Z,QT51-80F-BP-Z,QT51-100F-BP-Z,QT51-125F-BP-Z,QT51-80-AF,QT51-100-AF,QT51-125-AF,QT51-80-S1010-A,QT51-100-S1010-A,QT51-125-S1010-A
QT52系列齒輪泵
QT52-40-A,QT52-50-A,QT52-63-A,QT52-40F-A,QT52-50F-A,QT52-63F-A,QT52-40-BP-Z,QT52-50-BP-Z,QT52-63-BP-Z,QT52-40F-BP-Z,QT52-50F-BP-Z,QT52-63F-BP-Z,QT52-40-AF QT52-50-AF,QT52-63-AF,QT52-40-S1010-A,QT52-50-S1010-A,QT52-63-S1010-A
QT53系列齒輪泵
QT53-40-A,QT53-50-A,QT53-63-A,QT53-40F-A,QT53-50F-A,QT53-63F-A,QT53-40-BP-Z,QT53-50-BP-Z,QT53-63-BP-Z,QT53-40F-BP-Z,QT53-50F-BP-Z,QT53-63F-BP-Z,QT53-40-AF,QT53-50-AF,QT53-63-AF,QT53-40-S1010-A,QT53-50-S1010-A,QT53-63-S1010-A
QT61系列齒輪泵
QT61-160-A,QT61-200-A,QT61-250-A,QT61-160F-A,QT61-200F-A,QT61-250F-A,QT61-60-BP-Z,QT61-200-BP-Z,QT61-250-BP-Z QT61-60F-BP-Z,QT61-200F-BP-Z,QT61-250F-BP-Z,QT61-160-S1010-A,QT61-200-S1010-A,QT61-250-S1010-A
QT62系列齒輪泵
QT62-80-A,QT62-100-A,QT62-125-A,QT62-80F-A,QT62-100F-A,QT62-125F-A,QT62-80-BP-Z,QT62-100-BP-Z,QT62-125-BP-Z,QT62-80F-BP-Z,QT62-100F-BP-Z,QT62-125F-BP-Z,QT62-80-S1010-A,QT62-100-S1010-A,QT62-125-S1010-A
QT63系列齒輪泵
QT63-80-A,QT63-100-A,QT63-125-A,QT63-80F-A,QT63-100F-A,QT63-125F-A,QT63-80-BP-Z,QT63-100-BP-Z,QT63-125-BP-Z,QT63-80F-BP-Z,QT63-100F-BP-Z

Sumitomo QT4222-25-8 齒輪泵:低噪低脈動的高效組合
QT4222-25-8 是日本住友(SUMITOMO SPP)QT系列雙聯內嚙合齒輪泵,屬于中壓+低壓組合的小排量雙泵,主打低噪音、低脈動、穩定小流量,常用于精密液壓、小型伺服、潤滑系統。
一、型號完整拆解
QT 42 22 - 25 - 8
- QT:住友內嚙合齒輪泵系列
- 42:泵I(主泵)規格尺寸級:4壓力級:2 → 中壓(14 MPa / 140 bar)
- 22:泵II(副泵)規格尺寸級:2壓力級:2 → 低壓(7 MPa / 70 bar)
- 25:泵I排量 — 25 mL/rev(主流量側)
- 8:泵II排量 — 8 mL/rev(輔助流量側)
- 常見后綴(如F/Z等)
- F:法蘭安裝(標準)
- Z:右旋(電機端視)+ 標準平鍵
- BP:高壓軸封(部分版本)
二、核心技術參數
| 項目 | 參數 | 備注 |
|---|---|---|
| 結構 | 雙聯內嚙合齒輪泵 | 同軸雙吸雙吐 |
| 額定壓力 | 泵I:14 MPa;泵II:7 MPa | 中壓+低壓組合 |
| 峰值壓力 | 泵I:16 MPa;泵II:8 MPa | 短時允許 |
| 理論排量 | 25 + 8 mL/rev | 雙路合計 |
| 轉速范圍 | 200 ~ 1800 rpm | 常用 600~1500 rpm |
| 流量 (1450 rpm) | 約 36 + 11.6 L/min | 雙路合計約 47.6 L/min |
| 容積效率 | ≥92% | 小排量依然高效 |
| 噪音 | ≤60 dB(A) | 1450 rpm/14 MPa 工況 |
| 安裝 | 法蘭安裝(F) | 直聯電機 |
| 軸伸 | 標準平鍵(Z) | 適配伺服/普通電機 |
| 適用油 | 抗磨液壓油 VG32~46 | 適合精密系統 |
三、性能與結構特點
- 雙泵獨立回路主泵(25/14 MPa):負責工作執行(夾緊、進給、小壓臺)副泵(8/7 MPa):負責控制/潤滑/冷卻/回油補油一泵雙用,節省空間、減少電機數量、節能
- 內嚙合優勢超低脈動:<0.2 MPa,控制精度極高超靜音:比外嚙合低 5~10 dB(A)長壽命:強制潤滑,無金屬干磨,壽命 >8000 小時耐污性好:抗雜質能力強
- 緊湊輕量化體積小、重量輕(約 18~22 kg)適合小型液壓站、移動設備、精密機械
四、典型應用場景
- 小型注塑機/橡膠機:鎖模+頂針/調模雙回路
- 機床液壓:進給+導軌潤滑、主軸冷卻、夾具控制
- 液壓站/動力單元:主工作+控制油雙系統
- 自動化設備/機器人:伺服小流量精準控制
- 壓鑄機/沖床:低壓控制+高壓執行復合回路
- 紡織/印刷/包裝機械:低噪音、穩定小流量
五、同系列常用型號對照
- QT4222-20-6.3
- QT4222-25-8(標準款)
- QT4222-31.5-10
六、匹配建議
- 電機:4~5.5 kW 伺服/三相電機
- 油液:ISO VG46 抗磨液壓油
- 過濾:10~20 μm 過濾器
- 冷卻:小流量可用自然冷卻,連續工況配小型風冷
本文由蘇州逐利機電整理發布,如需轉載請瀏覽來源及出處,原文地址:http://m.hd-chaiqian.com.cn/yyyb/741.html






留言信息