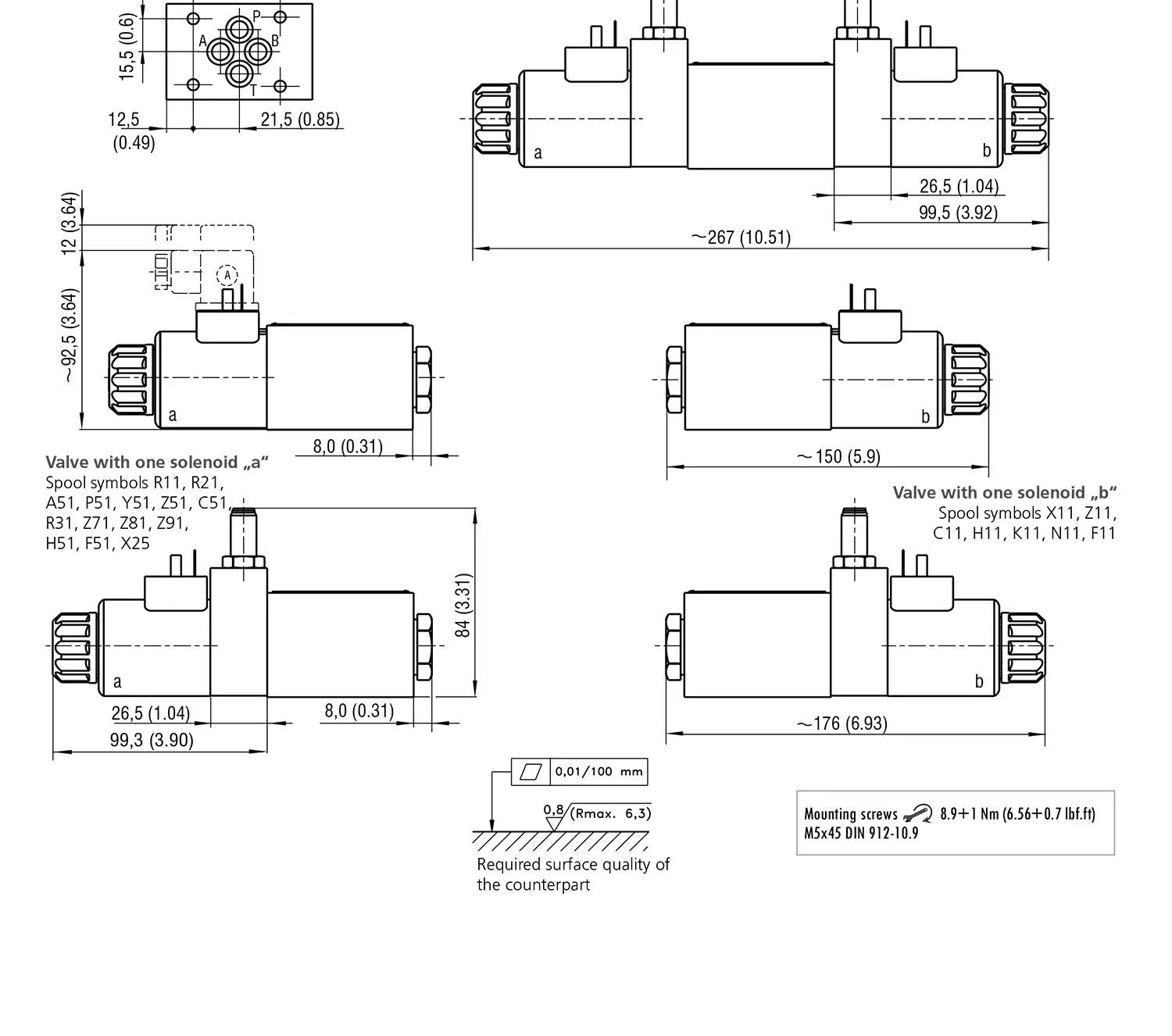
雅歌ARGO-HYTOS電磁換向閥RPE3-062X11/M20500E1抓斗機專用液壓閥






RPE3- 063Y11/02400E1,RPE3- 063Z11/02400E1
RPE3- 062R11/02400E1,RPE3- 062X11/02400E1
RPE3- 063Y11/02700E1,RPE3-063H11 交流110V
RPE3- 063H11/02400E1,RPE3- 063Y11/01200E1
RPE3- 063Z11/01200E1,RPE3-062R11/02300E1
RPE3-063H11/01200E1,RPE3- 063Y11/02400E1-A
RPE3-063C11/02400E1K1/M,RPE3-062R11/23050E5-A
RPE3-063H11/23050E5,RPE3-063C11/01200E1
RPE3- 063Z11/02400E1-A,RPE3-063Z11/02400E1
RPEW4-063Z11/02400EW1K50,RPE3-062Y51/02400E1K1
RPE3-062Z11/02400E1,RPE3- 063Y11/23000E1
RPE3-062X11/20500E1,RPE3-062X11/20500E1帶防水線
RPE3-062R11/02400E1,RPE3-062X11/02400E1
RPE3-062X11/02400E1K1,RPE3-063Y11/02400E1
16211500-C22B-20500E1-線圈,RPE3-063Y11/02400E1T1V
RPE3-042R91/02400E1,RPE3-063C11/02400E1
RPE3-062X11/01200E1,RPE3-063H11/02400E1
RPE3-062R11/01200E1,RPE3-062Z51/02700E1
205V線圈配2米防水插頭線,RPE3-062H51/02400E1T1-A
RPE3-063Z11/01200E1,RPE3-062X11/02700E1-A
RPE3-062R11/20500E1,RPE3-062R21/01200E1
RPE3-062R21/02400E1,RPE3-062R21/20500E1
RPE3-062Z11/01200E1,RPE3-062Z11/20500E1
RPE3-062A51/02400E1,RPE3-062A51/20500E1
RPE3-062Z51/02400E1,RPE3-062H51/02400E1
RPE3-062H51/20500E1
液壓系統油管管接頭的種類
液壓系統中少不了管接頭,因為管接頭是油管與油管、油管與液壓元件之間的可拆卸連接。它應滿足連接牢固,密封可靠,液阻小,結構緊湊,拆裝方便等要求。
管接頭的形式很多,按接頭的通路方向,有直通、直角、三通、四通、鉸接等形式;按其與油管連接方式分,有管端擴口式、卡套式、焊接式、扣壓式等。管接頭與機體的連接常用圓錐螺紋和普通細牙螺紋。用圓錐螺紋連接時,應外加防漏填料;用普通細牙螺紋連接時,應采用組合密封墊(熟鋁合金與耐油橡膠組合),且應在被連接件上加工出一個小平面。

1.管端擴口式菅接頭
管端擴口式管接頭工作原理如圖2-1所示,它適合于銅管和薄壁鋼管之間的連接。接管2先擴成喇叭口(約74°~90°),再用接頭螺母3把導套4連同接管2一起壓緊在接頭體l上形成密封。裝配時的擰緊力通過接頭螺母3轉換成軸向壓緊力,由導套4傳遞給接管的管口部分,使擴口錐面與接頭體1密封錐面之間獲得接觸比壓。在起剛性密封作用的同時,也起到連接作用,并承受由管內流體壓力所產生的接頭體與接管之間的軸向分力。這種管接頭的最高壓力一般小于16MPa。

2.卡套武管接頭
如圖2-2所示,卡套式管接頭的基本結構由接頭體1、卡套4和螺母3這3個基本零件組成。卡套是一個在內圓端部帶有鋒利刃口的金屬環,裝配時因刃口切人被連接的油管而起到連接和密封的作用。
裝配時首先把螺母3和卡套4套在接管2上,然后把油管插入接頭體1的內孔(靠緊),把卡套安裝在接頭體內錐孔與油管中的間隙內,再把螺母3旋緊在接頭體1上,旋至螺母90°卡套尾的86°錐面充分接觸為止。在用扳手緊固螺母之前,務必使被連接的油管端面與接頭體止推面相接觸,然后一面旋緊螺母一面用手轉動油管,當油管不能轉動時,表明卡套在螺母推動和接頭錐面的擠壓下已開始卡住油管,繼續旋緊螺母1-4/3圈,使卡套的刃口切人油管,形成卡套與油管之間的密封,卡套前端外表面與接頭體內錐面間所形成的球面接觸密封為另一密封面。
卡套式管接頭所用油管外徑一般不超過42mm,使用壓力可達40MPa,工作可靠,拆裝方便,但對卡套的制造工藝要求較高。

3. 焊接式管接頭
如圖2-3所示,焊接管接頭是將管子的一端與管接頭上的接管2焊接起來后,再通過管接頭上的螺母3、接頭體1等與其他管子式元件連接起來的一類管接頭。接頭體1與接管2之間的密封可采用圖7 4所示的O形密封圈4來密封。除此之外,還可采用球面壓緊的方法或加金屬密封墊圈的方法加以密封。管接頭也可用圖2-4(a)所示的球面壓緊,或加金屬密封圈4,用圖2-4(b)所示的方法來密封。后兩種密封方法承壓能力較低,球面密封的接頭加工較困難。接頭體與元件連接處,可采用圖5所示的圓錐螺紋,也可采用細牙圓柱螺紋(如圖4所示),并加組合密封墊圈5防漏。
焊接式鋼管接頭結構簡單,制造方便,耐高壓(32MPa),密封性能好。缺點是對鋼管與接管的焊接質量要求較高。

4.軟管接頭
軟管接頭一般與鋼絲編織的高壓橡膠軟管配合使用,它分可拆式和扣壓式兩種。圖2-5所示為可拆式軟管接頭。它主要由接頭螺母1、接頭體2、外套3和膠管4組成。膠管夾在兩者之間,擰緊后,連接部分膠管被壓縮,從而達到連接和密封的作用。扣壓式軟管接頭如圖2--6所示。它由接頭螺母1、接頭芯2、接頭套3和膠管4構成。裝配前先剝去膠管上的一層外膠,然后把接頭套套在剝去外膠的膠管上再插入接頭芯,然后將接頭套在壓床上用壓模進行擠壓收縮,使接頭套內錐面上的環形齒嵌入鋼絲層達到牢固的連接,也使接頭芯外錐面與膠管內膠層壓緊而達到密封的目的。
注意,軟管接頭的規格是以軟管內徑為依據的,金屬管接頭則是以金屬管外徑為依據的。

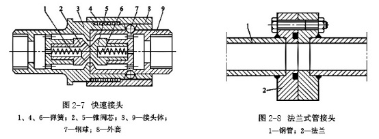
5.快速接頭
快速接頭是一種不需要任何工具,能實現迅速連接或斷開的油管接頭,適用于需要經常拆卸的液壓管路。圖2-7所示為快速接頭的結構示意圖。圖中各零件位置為油路接通時的位置。它有兩個接頭體3和9,接頭體兩端分別與管道連接。外套8把接頭體3上的3個或8個鋼球7壓落在接頭體9上的V形槽中,使兩接頭體連接起來。錐閥芯2和5互相擠緊頂開使油路接通。當需要斷開油路時,可用力將外套8向左推移,同時拉出接頭體9,此時彈簧4使外套8回位。錐閥芯2和5分別在各自彈簧1和6的作用下外伸,頂在接頭體3和9的閥座上而關閉油路,并使兩邊管子內的油封閉在管中,不致流出。

6.法蘭式管接頭
法蘭式管接頭是把鋼管1焊接在法蘭2上,再用螺釘連接起來,兩法蘭之間用O形密封圈密封,如圖2-8所示。這種管接頭結構堅固,工作可靠,防振性好;但外形尺寸較大,適用于高壓、大流量管路。
本文由蘇州逐利機電整理發布,如需轉載請瀏覽來源及出處,原文地址:http://m.hd-chaiqian.com.cn/yyf/451.html






留言信息